特点:钢板防护罩的每一节之间的贴合度较为紧密,且不影响运行速度,能够更为有效的起到防尘、防铁屑、防冷却液等外界物体; 其质量优,寿命长,外形美观,应用在机床上可以踩踏不变形
产品规格
结构:钢板防护罩主要由主面板、支撑板、滑片或滑轮、铰链机构、刮屑条、缓冲橡胶垫、护罩连接板等基本结构组装而成
材质:均采用国内外优质材料,常用的有SUS304、1Cr13 、冷轧 板等,并采用精度较高的激光切割机和精密数控折弯机进行加工
技术参数:根据机床的实际运行范围和运行速度可计算较为准确的钢板护罩节数以及选用合理的附件(如:运行速度≤10m/min, 可选用耐磨滑片或滚轮;运行速度≥36m/min,需选用铰链机构、铜轮等附件);一般情况下,钢板防护罩的节数应尽可能的少,这样既可以减小护罩的重量,降低成本,也可以提高其运行特性;设计的伸缩比例一般在3:1~5:1之间
特点:钢板防护罩的每一节之间的贴合度较为紧密,且不影响运行速度,能够更为有效的起到防尘、防铁屑、防冷却液等外界物体; 其质量优,寿命长,外形美观,应用在机床上可以踩踏不变形
应用:钢板防护罩以其优质的特性,被广泛应用在机械设备行业中,包括普通机床,数控机床,数控加工中心(立式、卧式)等
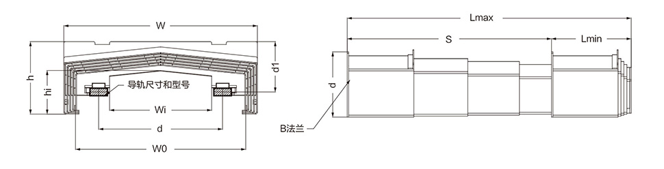
· 钢板防护罩技术参数示意图

-
Lmax=防护罩的最大拉伸
Lmin=防护罩的最小压缩
S=行程长度
W=防护罩外宽
Wi=防护罩内宽
d=导轨中心距 -
h=防护罩外高
hi=防护罩内高
H=最小高度
n=防护罩的节数
B=防护罩两端法兰
· 钢板防护罩订购参数表及回执单

| 参数代码 Code |
参数名称 Des |
参数值 Figure |
检测结果(我司填写) Test result by Kirus |
备注 Remark |
说明 Remark |
|---|---|---|---|---|---|
| Lmax | 防护罩最大拉伸 Stretched out length |
机床的运行范围(必填) Machine travel range (Not null) |
|||
| Lmin | 防护罩最小拉伸 Compressed length |
||||
| S | 防护罩行程 Travel distance |
机床的最大行程(可选) Machine max distance (Optional) |
|||
| W | 防护罩外宽 Outer width |
必填 Not null |
|||
| Wi | 防护罩内宽 Inner width |
必填 Not null |
|||
| WO | 最小高度 min height |
可选 Optional |
|||
| h | 防护罩外高 Outher height |
必填 Not null |
|||
| h1 | 防护罩内高 Inner height |
必填 Not null |
|||
| d | 导轨中心距 Guide rail center distance |
必填 Not null |
|||
| d1 | 端板到导轨距离 The distance from flange to guide rail |
必填 Not null |
|||
| 附件选配 Accessories need |
可选 Optional |
||||
| 防护罩材质 Shield material |
材质/表面处理(可选) Material and surface treatment(Optional) |
||||
| 导轨型号 Guide rail item No |
- | 型号或尺寸(附图) (必填Not null/attched) |
|||
| 机床运行速度 Running speed |
- | 必填 Not null |
|||
| 安装方式 Assemble way |
- | 水平/垂直/其它(可选) Vertical/horizontal/others(Optional) |
|||
| 安装机台型号 Equipment item No |
- | 可选 Optional |
|||
| 使用环境 Environment |
- | 是否有大量碎屑(可选) Scrap or not(Optional) |
|||
| 订货单位 Company name |
送货地址 Company address |
||||
| 联系方式 Contact way |
送货方式 Shipping way |
空运 Air陆运Freight 加急Urgent 其它Other____ |
|||
|
订购时需提供上述数据、CAD图纸或机床三维图(.stp / .x-t / .igs 等格式),我司方可进行评估设计 Pls offer above demensions,CAD drawings or Machine 3D drawings(.stp or .x-t or .igs ), then our engineer can design 如订购防护罩有特殊要求,请在备注栏填写或直接与我司进行联系沟通;若无要求,则按照我司标准制作 Pls remark if you have speical demand, or we will follow Krius regulation 导轨部分防护设计需提供详细图纸说明 Krius need detailed drawings for the protected parts of machine 如订购方提供完整防护罩图纸,请注明与导轨之间是否留有余量 Pls mark are there some tolerance for guide rail and bellow cover if customer offer complete drawings 我方在送货时会将此单随产品一起发出 We will take the order details with goods shippment together |
|||||
产品形状

版权所有:北京欧士齐机械配件有限公司
osqcnc.com = 欧士齐 OSQ — 专业机床附件制造商・内外贸一站式配套服务商
产品选型
关于我们
快速链接
联系我们
关注我们